التجربة غنية بالمحتويات وتغطي بشكل شامل أهم أربع خصائص للضوء والكهرباء واللون والحرارة. إنها المعرفة النظرية الأساسية المطلوبة للدورات الإلزامية في تخصصات الإلكترونيات الضوئية في الجامعات.
العديد من وحدات التجربة مستقلة عن بعضها البعض ولكنها تدعم بعضها البعض أيضًا. يتم تحديد أقسام الوظائف للمكونات بوضوح ، مما يجعل من السهل على الطلاب فهمها.
تم تصميم مكونات الجهاز التجريبي وتصميم البرمجيات وفقًا لمعايير المنتجات التعليمية. تتوافق إعدادات التشغيل مع متطلبات التدريس ، كما أن وظائف البرنامج كاملة ، بما في ذلك الملاحة المعرفية ووحدات الاختبار المستقلة ، والتي تمكن الطلاب من التفكير المنطقي الواضح والفهم السهل عند استخدامه ، تحقيق تأثير تعميق التعلم النظري.
يتبع مبدأ اختبار المعلمات بدقة معايير الاختبار الرسمية الحالية في الصين والخارج. على سبيل المثال: يعتمد اختبار شدة الضوء المتوسط على الظروف القياسية لاختبار كثافة الضوء المتوسطة ؛ يعتمد اختبار التدفق المضيء على طريقة المجال المدمج ؛ يعتمد قياس درجة حرارة الوصلة على طريقة تيار النبض. تتميز هذه الطريقة بمزايا البساطة وعدم التدمير والدقة والاستجابة المؤقتة الجيدة.
Volt-amper تجربة اختبار مميزة.
تجربة العلاقة بين شدة الضوء والتيار.
تجربة العلاقة بين التدفق الضوئي والتيار.
تجربة قياس خصائص التوزيع المكاني للضوء الناتج أدى.
تجربة قياس المعلمات اللونية من المصابيح المختلفة.
تجربة مطابقة الألوان RGB.
تجربة قياس معامل VT (تموج) لإمدادات الطاقة النبضية.
تجربة قياس معامل K.
تجربة قياس درجة حرارة الوصلة والمقاومة الحرارية.
لا. | اسم جزء | المعلمة الرئيسية |
1 | مصدر طاقة LED I (مصدر تيار مستمر) | إطار الجهد 0 ~ 50/500mA مدخل V ، نطاق الجهد 0-10V |
2 | مصدر طاقة ليد 2 (مصدر جهد ثابت) | مخرج بجهد V/1500 V ، 0 ~ 10V ؛ النطاق الحالي 0 - 0.1A |
3 | مزود طاقة نبضية (قابل للبرمجة) | خرج تيار صغير يتراوح من 0 إلى 50 مللي عام ؛ خرج تيار كبير يتراوح من 50 إلى mA. |
4 | مصدر طاقة للتحكم في درجة الحرارة | نطاق التسخين: 0-، ℃ |
5 | مقياس الإضاءة مع كاشف | قيم الإضاءة والتدفق المضيء القابلة للقياس ، نطاق الإضاءة: LX إلى LX LX ؛ نطاق التدفق المضيء: LM إلى LM; |
6 | مزود طاقة RGB (مصدر تيار ثابت) | الإخراج الحالي ثلاث مراحل |
7 | مطياف الألياف | نطاق الطول الموجي: 350-1050nm ، دقة 2 نانومتر |
8 | مروحة تبريد مصدر ضوء التنغستن | مدى الطول الموجي: 10000 نانومتر طريقة التبريد: مروحة |
9 | نظام التحكم في درجة الحرارة | نطاق التدفئة 0 ~ ، ℃ |
10 | دمج المجال | المجال دمج الإشعاع |
11 | الصمام لاعبا اساسيا وحامل | 50 ضياء |
لا. | اسم جزء | نموذج | الكمية. |
1 | مصدر طاقة LED I (مصدر تيار مستمر) | BEM-5036 | 1 |
2 | مصدر طاقة LED I (مصدر جهد ثابت) | BEM-5035 | 1 |
3 | مزود طاقة نبضية (قابل للبرمجة) | BEM-5037 | 1 |
4 | مصدر طاقة للتحكم في درجة الحرارة | BEM-5038 | 1 |
5 | مقياس الإضاءة مع كاشف | BEM-5409 | 1 |
6 | مزود طاقة RGB (مصدر تيار ثابت) | BEM-5711 | 1 |
7 | مطياف الألياف | بيم-من-06 | 1 |
8 | مروحة تبريد مصدر ضوء التنغستن | بيم-من | 1 |
9 | نظام التحكم في درجة الحرارة | BEM-5040A | 1 |
10 | دمج المجال | BEM-5216-15004 | 1 |
11 | الصمام لاعبا اساسيا وحامل | BEM-5217 | 1 |
12 | تركيبات مصدر ضوء RGB | BEM-5224 | 1 |
13 | منصة تعديل لمصدر الضوء | BEM-5214 | 1 |
14 | أنبوب فتحة مع حامل | BEM-5215 | 1 |
15 | فتحة | BEM-5221-03 | 1 |
16 | شاشة عرض | BEM-5410 | 1 |
17 | المسار | BEM-5201-06 | 1 |
18 | الناقل | BEM-5204-50 | 1 |
19 | حامل آخر قابل للتعديل | BEM-5205-25 | 1 |
20 | ملصق | BEM-5209-09 | 1 |
| 21 | ألياف الكوارتز | من من من من | 1 |
22 | وحدة ليزر مع تثبيت | BEM-5047 | 1 |
23 | عينات اختبار الصمام مع حالة التخزين | BEM-5048 | 1 |
24 | كابل الطاقة | BC-105075 | 5 |
25 | كابل بيانات USB | BC-105080 | 2 |
26 | كابل موصل قابس موزي 4 ، أحمر | BC-105084 | 6 |
27 | 4 ، كابل موصل قابس الموز ، أسود | BC-105083 | 6 |
28 | كابل موصل الطيران 6 دبوس | BC-104103 | 1 |
1. تجربة التحويل الكهربائية والكهربائية البصرية

2. التحقيق في العلاقة بين التيار ، تدفق مضيئة وكفاءة مضيئة

3. تجربة التوزيع المكاني الخفيف (منحنى توزيع الضوء)

المنحنى يظهر التباين في المتوسط
شدة الضوء في الفضاء أحادي الأبعاد مع التيار

توزيع الضوء المكاني ثنائي الأبعاد
منحنى (توزيع الضوء)
4. يظهر المنحنى العلاقة بين التدفق الحالي والمضيء

المنحنى الذي يوضح العلاقة بين الكفاءة الحالية والإضاءة
5. قياس المعلمات اللونية من المصابيح المختلفة

المنحنى الذي يوضح العلاقة بين الكفاءة الحالية والإضاءة
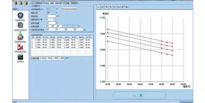
6. تجربة اختبار الخصائص الحرارية
يتم استخدام هذه الوحدة لقياس وحساب معامل K ، والمقاومة الحرارية ، ودرجة حرارة تقاطع المصابيح. يتضمن الإعداد التجريبي نظام التحكم في درجة الحرارة ، وإمدادات الطاقة للتحكم في درجة الحرارة ، وإمدادات الطاقة النبضية. بعد بدء التجربة ، يمكن عرض منحنى الجهد والوقت في الوقت الفعلي على واجهة البرنامج ، مما يسمح بتحليل درجة حرارة الوصلة والمقاومة الحرارية عند حالة الاستقرار.

اختبار معامل K الحالي الصغير
