الدقة البصرية: ما يصل إلى 0.1nm
تصميم مضغوط: حجم كف اليد لسهولة التشغيل
مسار بصري: تكوين غير متماثل متقاطع مع مرشح تداخل لإخماد الحيد من الدرجة الثانية
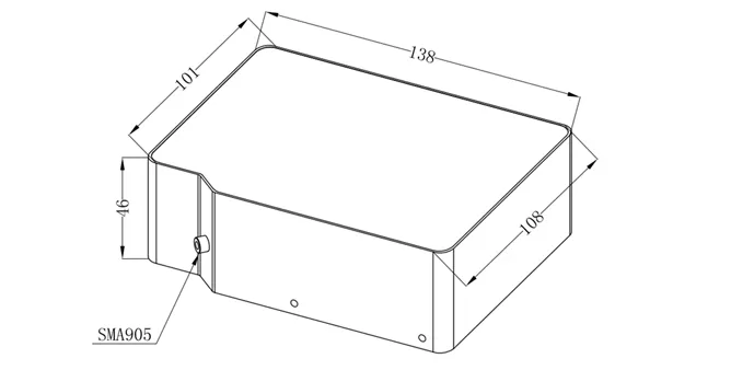
اتصال الألياف: موصل الألياف البصرية mma905 لدمج سلس مع الأجهزة الخارجية
تكوين مرن: نطاق طول موجي قابل للاختيار ودقة بصرية
واجهة: USB لنقل البيانات وإمداد الطاقة في وقت واحد
بروتوكول الاتصالات: دعم RS232
اثار الخيارات: وسائط الزناد متعددة المتاحة
البرامج المتقدمة: حساب طول موجة الذروة الآلي وعرض النطاق الترددي
التخصيص: يدعم SDK للتطوير الثانوي وتكامل OEM
طول موجة مركز الليزر ، FWHM وقياس الاستقرار
قياس طيف الانبعاثات والامتصاص
اختبار النفاذية والامتصاص
كشف الفلورسنت
قياس اللون
قياس LED/LIBS
اختبار طيف الطاقة الشمسية
نموذج | بيم-سلسلة |
نطاق الطول الموجي | 200nm-1100nm اختياري |
القرار | 0.1 نانومتر |
موصل ألياف | ذاكرة 905 |
نوع جهاز الكشف | هاماماتسو S13496 ، مجموعة خطية CMOS |
كاشف بكسل | بكسل ، كل بكسل 7μm × 200μm |
إشارة إلى نسبة الضوضاء | رباعي: 1 طيف كامل |
أ/د القرار | 16 بت |
وقت الدمج | آشلي ms-65s |
النطاق الديناميكي | رجوع: 1 |
نموذج الزناد | الوضع العادي ، والبرمجيات ، والأجهزة ، الزناد التزامن |
استهلاك الطاقة | 250mA ، 5VDC |
درجة حرارة التشغيل | 5 ℃-35 ℃ (موصى به 25 ℃) |
واجهة الاتصالات | USB2.0(12 ميغابايت في الثانية) RS232(115200bps) |
نظام تشغيل | فوز إكس بي ، Win7 ، Win8 ، Win10 |
الخطية | > 245 |
مزود طاقة | يو إس بي |
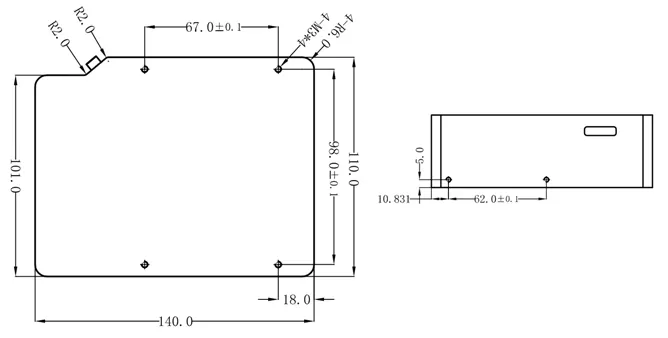
البعد | من من من من من من من |
الوزن | 0.7 كجم |
# | وصف الجزء | الكمية. |
1 | مطياف | 1 |
2 | كابل يو إس بي | 1 |
3 | تقرير المعايرة (رمز الاستجابة السريعة لتنزيل البرامج والدليل) | 1 |
4 | صندوق تعبئة | 1 |
نموذج | نموذج مع التكوين | نطاق الطول الموجي | القرار |
بيم-من-01 | BIM-6606-01-S03L00F00G14 | من من من من ؟ | ~ ، نانومتر |
بيم-من-02 | BIM-6606-02-S01L00F06G11 | من من من من ؟ | ~ ، نانومتر |
بيم-من-03 | BIM-6606-03-S02L00F05G12 | من من من من ؟ | ~ ، نانومتر |
بيم-، 04 | BIM-6606-04-S02L00F00G23 | من من من من ؟ | ~ ، نانومتر |
بيم-من-05 | BIM-6606-05-S02L01F08G08 | من من من من ؟ | ~ ، نانومتر |
بيم-من-06 | BIM-6606-06-S01L00F08G26 | من من من من ؟ | ~ ، نانومتر |
بيم-من-07 | BIM-6606-07-S02L00F05G25 | من من من من ؟ | ~ ، نانومتر |
بيم-من-08 | BIM-6606-08-S02L00F00G10 | من من من من ؟ | ~ مكعب نانومتر |
بيم-من 09 | BIM-6606-09-S01L01F08G27 | من من من من ؟ | ~ مكعب نانومتر |
بيم-، 10 | BIM-6606-10-S02L00F00G08 | من من من من ؟ | ~ ، نانومتر |
بيم-من 11 | BIM-6606-11-S02L00F00G10 | من من من من ؟ | ~ مكعب نانومتر |
بيم-من 12 | BIM-6606-12-S01L00F06G11 | من من من من ؟ | ~ ، نانومتر |
بيم-من 13 | BIM-6606-13-S02L00F05G12 | من من من من ؟ | ~ ، نانومتر |
بيم-من 14 | BIM-6606-14-S01L01F08G08 | من من من من ؟ | ~ مكعب نانومتر |
بيم-من 15 | BIM-6606-15-S02L01F08G08 | من من من من ؟ | ~ ، نانومتر |
بيم-من 16 | BIM-6606-16-S02L00F08G08 | من من من من ؟ | ~ ، نانومتر |
بيم-من 17 | BIM-6606-17-S02L00F00G30 | من من من من ؟ | ~ مكعب نانومتر |
بيم-من 18 | BIM-6606-18-S02L00F00G30 | من من من من ؟ | ~ مكعب نانومتر |
بيم--19 | BIM-6606-19-S01L01F08G30 | من من من من ؟ | ~ مكعب نانومتر |
بيم-من 20 | BIM-6606-20-S01L01F05G25 | من من من من ؟ | ~ مكعب نانومتر |
بيم-من 21 | BIM-6606-21-S01L01F08G10 | من من من من ؟ | ~ ، نانومتر |
برنامج طيف BSV
